培训内容x_b_a_i_x_i_n_g_c_o_m
AutoCAD机械制图部分
(1)CAD界面/打开draw、Modify工具条相关命令的讲解、实例讲解;
(2)图层的设置/运用、标注尺寸相关设置/标注尺寸工具条的讲解、小_百_姓_网
(3)机械制图前言、图样、图纸大小及图框、标题栏、比例、线型、尺寸;
(4)投影的基本知识、三视图的成形原理、规律、三视图的展开、识读三视图的基本要领;
(5)第一角法的讲解、第三角法的讲解、基本视图的介绍;x+b+a+i+x+i+n+g+c+o+m
(6)斜视图、局部视图、旋转视图、剖视图:
(7)剖面图、局部放大图、简化画法;
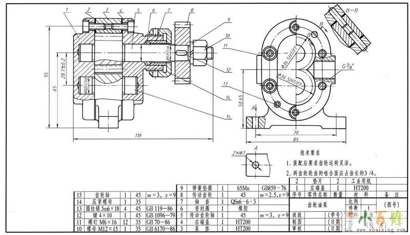
(8)零件图的作用/内容、零件图的技术要求、配合的概念;www.xbaixing.com
(9)表面粗糙度、形位公差、识读零件图的基本步骤;
(10)螺纹、键的介绍、销的介绍、齿轮的基本知识、
(19)装配图表达方法、装配图的识读。小.百.姓.网
(11)图纸的打印/设置的讲解、系统工具条的讲解、菜单常用命令的介绍、实例讲解;

